FDSS®-GX Kinetic Plate Imager
FDSS-GX is the highest-performance kinetic plate imager in the FDSS series, optimized for 96-, 384-, and 1536-well for reliable and stable high-throughput screening (HTS), enabling whole microplate imaging and simultaneous injections to all wells. This system achieves high-sensitivity imaging with qCMOS sensor, and highly accurate and repeatable micro-dispensing by adopting a 1536 ch dispensing unit capable of dispensing variable volumes. By combining optional parts, a robot-free semi-automation system can be built according to the user's purpose.
FDSS is a registered trademark of Hamamatsu Photonics K.K. (China, France, Germany, Italy, Japan, UK, USA).
Dispensing accuracy and repeatability are important factors in performing assays.
The FDSS-GX achieves highly accurate and repeatable micro-dispensing by adopting a 1536 ch dispensing unit capable of dispensing variable volumes. This dispensing unit has independent metal piston cylinders and dispensing tips dedicated to the FDSS-GX.
Dispensing units in 96 ch and 384 ch are also available.
Dispensing unit (1536 tip type) A15623-28
1536 black tip (10 racks) for FDSS-GX A8687-82
The figure below shows the fluorescence intensity change in time and plate image when B-beads were dispensed into a 1536 microplate (5 µL/well), showing a CV of 1.89 %* after dispensing.
The 1536 ch dispensing unit with independent metal piston cylinders and dispensing tips dedicated to FDSS provide the best dispensing performance.
*This is the actual measurement value when dispensing B-beads (5 µL/well) with overhauled or calibrated 1536 ch dispensing unit and dispensing tips dedicated to FDSS-GX.
The high sensitivity qCMOS sensor comes as a standard in the FDSS-GX optical system.
In fluorescence and luminescence measurements, high quantitative performance has been achieved for low-light imaging, and the assay window has been expanded due to the sensor's wide dynamic range, enabling measurement with a wide linearity range.
In addition, the qCMOS sensor makes it possible to image the whole plate due to the large sensor size, and enables high-resolution measurement.
In fluorescence measurements, the FDSS-GX was able to detect 0.03 nM Fluorescein* (exposure time: 50 ms).
The graph below shows the fluorescence count and S/N ratio for titrated concentrations of Fluorescein, and the image below shows the 384 microplate.
* This is the actual measurement value.
Fluorescein concentration vs. RFU
S/N ratio
Microplate image
(384 microplate)
In luminescence measurements, the FDSS-GX was able to detect 3.9 fg Luciferase*(exposure time: 5 seconds) according to the calculations.
The graph below shows the luminescence count for titrated concentrations of Luciferase, and the image below shows the 384 microplate.
* This is the theoretical value calculated from the measurement data below.
Luciferase (pg/well) vs. RLU
Microplate image
(384 microplate)
The high-sensitivity qCMOS sensor makes it possible to image the whole plate due to the large sensor size, and enables high-resolution measurement .
(1536 microplate, Sample: B-Beads)
The FDSS-GX includes high-precision epifluorescence optical system with high power and long life Xe lamp developed in-house. The combination of Xe lamp and the dedicated dichroic mirrors/optical filters enables measurement using various fluorescent dyes in the UV to IR range.
For details, please refer to the table below.
Epifluorescence optical system
| User application | ||||||
|---|---|---|---|---|---|---|
| Excitation filter 1 | Excitation filter 2 | Shortpass filter | Dichroic mirror | Emission filter 1 | Emission filter 2 | |
| Fura-2 (Ca2+) | 340 nm* | 387 nm* | SPF 495 | UV* | 520 nm ~ 560 nm | - |
| SBFI (Na+) | 340 nm* | 387 nm* | SPF 495 | UV* | 520 nm ~ 560 nm | - |
| PBFI (K+) | 340 nm* | 387 nm* | SPF 495 | UV* | 520 nm ~ 560 nm | - |
| MQAE, diH-MEQ (CI-) | 387 nm* | - | SPF 495 | UV* | 440 nm ~ 470 nm* | - |
| DAPI (DNA) | 387 nm* | - | SPF 495 | UV* | 440 nm ~ 470 nm* | - |
| Hoechst33258 | 387 nm* | - | SPF 495 | UV* | 440 nm ~ 470 nm* | - |
| VSP-1 | 387 nm* | - | SPF 400* | For VSP* | 466 nm* | 560 nm* |
| CFP/YFP | 438 nm* | - | SPF 450* | For C/Y* | 483 nm* | 542 nm* |
| HYPER | 425 nm* | 483 nm* | SPF 495 | For HYPER* | 520 nm ~ 560 nm | - |
| Fluo-8 (Ca2+) | 472 nm | - | SPF 495 | B | 520 nm ~ 560 nm | - |
| Cal-520 (Ca2+) | 472 nm | - | SPF 495 | B | 520 nm ~ 560 nm | - |
| Sodium Green (Na+) | 472 nm | - | SPF 495 | B | 520 nm ~ 560 nm | - |
| FluxOR (K+) | 472 nm | - | SPF 495 | B | 520 nm ~ 560 nm | - |
| BCECF (pH) | 472 nm | - | SPF 495 | B | 520 nm ~ 560 nm | - |
| FluoVolt | 472 nm | - | SPF 495 | B | 520 nm ~ 560 nm | - |
| GFP | 472 nm | - | SPF 495 | B | 520 nm ~ 560 nm | - |
| FITC | 472 nm | - | SPF 495 | B | 520 nm ~ 560 nm | - |
| YFP | 472 nm | - | SPF 495 | For YFP* | 520 nm ~ 560 nm | - |
| JC-1 | 531 nm | - | SPF 550 | For JC-1* | 593 nm | - |
| CoroNa Red (Na+) | 531 nm | - | SPF 550 | For FMP | 593 nm | - |
| FMP | 531 nm | - | SPF 550 | For FMP | 593 nm | - |
| Cal-590 (Ca2+) | 531 nm | - | SPF 550 | For FMP | 593 nm | - |
| Rhodamine | 531 nm | - | SPF 550 | For FMP | 593 nm | - |
| Cal-630 (Ca2+) | 605 nm* | - | SPF 630* | For RED* | 676 nm* | - |
| Nano-BRET | - | - | - | - | 461 nm* | 647 nm* |
*: Option
The wavelength value in the table above may not correspond to the typical excitation/emission wavelength for each application.
Depending on the application, we offer filter sets suitable for the FDSS-GX optical system. Please contact your Hamamatsu representative for further information.
The FDSS-GX can automatically transfer assay plates and compound plates by two transfer lines, front and rear. In addition, plate stacker unit with large-capacity of cassette for up to 20 microplates is available for robot-free semi-automation.
FDSS-GX inner layout
Plate stacker unit
Evaluation of ATP dose response using Fluo-8 AM-stained CHO cells
*Potassium ion channel screening using Tl+ is available.
K+ assay in CHO cells using FluxOR
Evaluation of Nav 1.5-CHO cells using FRET-type voltage sensitive dye (VSP)
Ca2+ transient and membrane potential measurements using iPS cell-derived cardiomyocytes
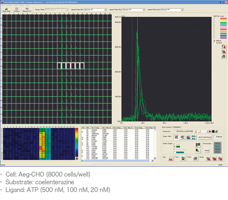
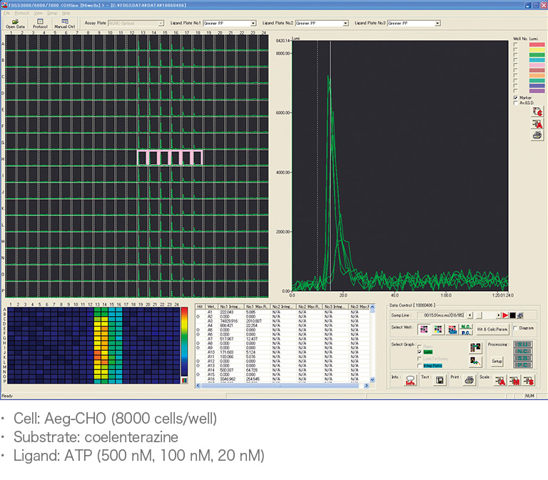
Intracellular Ca2+ assay by luminescence using an aequorin-expressing cell line
Ca2+ assay using aequorin-expressing cells
BRET assay using CHO cells
principle of β-arrestin BRET1- assay
Rluc - D2s receptors and eYFP – β-arrestin 2 are expressed in CHO cells, and Rluc and eYFP BRET occurring in cells when Ligand is added are detected.
cAMP evaluation using GloSensor
Analysis of time course of cAMP using HUVEC expressing GloSensor (Promega)
Cell number evaluation using CytoTox-Glo cytotoxicity Assay
| Dispensing units | 1536 tip type A15623-28 | 1 µL to 5 µL |
|---|---|---|
| 384 tip type A10118-26 | 1 µL to 30 µL | |
| 96 tip type A10118-24 | 10 µL to 200 µL | |
| Fluorescence and luminescence detector | Hamamatsu qCMOS sensor dedicated to FDSS | |
| Number of sampling data points | 1 to 50 000 sampling | |
| Sampling rate | 10 Hz (10 data points per second) minimum 120 Hz (120 data points per second) maximum* |
|
| Sampling interval | 0.1 s minimum 0.0083 s minimum* |
|
| Excitation light source | Xe lamp Optical filters can be selected |
|
| Plate shaking function | Adjustable in 256 steps Revolutions per minute: 0~3000 rpm |
|
| Heater unit | Temperature control part | FDSS-GX Main unit chamber (whole upper half) |
| Configurable temperature | +40 ºC maximum | |
| Tip loading | Use Automatic tip loader A15623-07 | |
| Number of plate loading lines | Front loader × 1 Rear loader × 1 | |
| Number of plate positions | Assay plate | Front loader × 1 |
| Compound plate | Rear loader × 1, Compound plate stage (manual exchange) × 3 | |
| Number of tip washer positions | 3 units maximum (Total with/without high power ultrasonic function, deep reservoir) | |
| Number of dispensing unit positions | 2 units maximum (same tip type only) | |
| Compatible dispensing tip | 1536 / 384 / 96 black tips dedicated to FDSS, A8687 series Disposable type |
|
| Compatible microplate | Clear bottom black 1536 / 384 / 96 plates SBS format height 10 mm minimum |
|
| Power supply specifications | Single phase AC 100 V ~ 240 V, 50 Hz / 60 Hz | |
| Power consumption | C15711-02: approx. 3115 VA | |
| C7903-13: approx. 660 W | ||
| Required supply line: 15 A × 3 lines | ||
| Ambient operating temperature | +15 ºC to 30 ºC | |
| Dimensions/Weight | Main unit | 1437 (W) × 850 (D) × 1467 (H) mm / approx. 320 kg |
| Data analysis unit | 570 (W) × 880 (D) × 943 (H) mm / approx. 82 kg | |
| Plate stacker set | 437 (W) × 580 (D) × 1340 (H) mm / approx. 36 kg | |
| Washing rack | 616 (W) × 924 (D) × 1038 (H) mm / approx. 19 kg | |
| Circulating water cooler | 222 (W) × 386 (D) × 649 (H) mm / approx. 26 kg | |
| Automatic tip loader | 233 (W) × 289 (D) × 447 (H) mm / approx. 21 kg | |
* When using FDSS software option High speed acquisition option U8524-11
It looks like you're in the . If this is not your location, please select the correct region or country below.
You're headed to Hamamatsu Photonics website for JP (English). If you want to view an other country's site, the optimized information will be provided by selecting options below.
In order to use this website comfortably, we use cookies. For cookie details please see our cookie policy.
This website or its third-party tools use cookies, which are necessary to its functioning and required to achieve the purposes illustrated in this cookie policy. By closing the cookie warning banner, scrolling the page, clicking a link or continuing to browse otherwise, you agree to the use of cookies.
Hamamatsu uses cookies in order to enhance your experience on our website and ensure that our website functions.
You can visit this page at any time to learn more about cookies, get the most up to date information on how we use cookies and manage your cookie settings. We will not use cookies for any purpose other than the ones stated, but please note that we reserve the right to update our cookies.
For modern websites to work according to visitor’s expectations, they need to collect certain basic information about visitors. To do this, a site will create small text files which are placed on visitor’s devices (computer or mobile) - these files are known as cookies when you access a website. Cookies are used in order to make websites function and work efficiently. Cookies are uniquely assigned to each visitor and can only be read by a web server in the domain that issued the cookie to the visitor. Cookies cannot be used to run programs or deliver viruses to a visitor’s device.
Cookies do various jobs which make the visitor’s experience of the internet much smoother and more interactive. For instance, cookies are used to remember the visitor’s preferences on sites they visit often, to remember language preference and to help navigate between pages more efficiently. Much, though not all, of the data collected is anonymous, though some of it is designed to detect browsing patterns and approximate geographical location to improve the visitor experience.
Certain type of cookies may require the data subject’s consent before storing them on the computer.
This website uses two types of cookies:
This website uses cookies for following purposes:
Cookies help us help you. Through the use of cookies, we learn what is important to our visitors and we develop and enhance website content and functionality to support your experience. Much of our website can be accessed if cookies are disabled, however certain website functions may not work. And, we believe your current and future visits will be enhanced if cookies are enabled.
There are two ways to manage cookie preferences.
If you don’t want to receive cookies, you can modify your browser so that it notifies you when cookies are sent to it or you can refuse cookies altogether. You can also delete cookies that have already been set.
If you wish to restrict or block web browser cookies which are set on your device then you can do this through your browser settings; the Help function within your browser should tell you how. Alternatively, you may wish to visit www.aboutcookies.org, which contains comprehensive information on how to do this on a wide variety of desktop browsers.
Occasionally, we may use internet tags (also known as action tags, single-pixel GIFs, clear GIFs, invisible GIFs and 1-by-1 GIFs) at this site and may deploy these tags/cookies through a third-party advertising partner or a web analytical service partner which may be located and store the respective information (including your IP-address) in a foreign country. These tags/cookies are placed on both online advertisements that bring users to this site and on different pages of this site. We use this technology to measure the visitors' responses to our sites and the effectiveness of our advertising campaigns (including how many times a page is opened and which information is consulted) as well as to evaluate your use of this website. The third-party partner or the web analytical service partner may be able to collect data about visitors to our and other sites because of these internet tags/cookies, may compose reports regarding the website’s activity for us and may provide further services which are related to the use of the website and the internet. They may provide such information to other parties if there is a legal requirement that they do so, or if they hire the other parties to process information on their behalf.
If you would like more information about web tags and cookies associated with on-line advertising or to opt-out of third-party collection of this information, please visit the Network Advertising Initiative website http://www.networkadvertising.org.
We use third-party cookies (such as Google Analytics) to track visitors on our website, to get reports about how visitors use the website and to inform, optimize and serve ads based on someone's past visits to our website.
You may opt-out of Google Analytics cookies by the websites provided by Google:
https://tools.google.com/dlpage/gaoptout?hl=en
As provided in this Privacy Policy (Article 5), you can learn more about opt-out cookies by the website provided by Network Advertising Initiative:
http://www.networkadvertising.org
We inform you that in such case you will not be able to wholly use all functions of our website.
Close