MCP (microchannel plate)
MCPs are made of millions to tens of millions of conductive glass capillaries bundled together to form a thin plate. Each of these capillaries (channels) acts as an independent secondary electron multiplier, forming a two-dimensional electron multiplier.
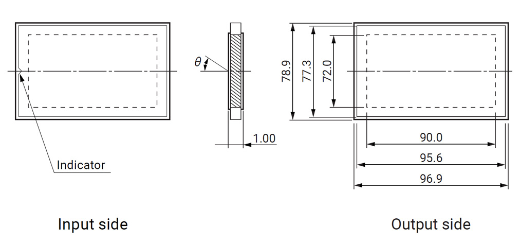
F2396-04 is a microchannel plate (MCP) with a rectangular effective area measuring 90.0 mm × 72.0 mm.
| Items | F2396-04 | Unit | |
|---|---|---|---|
| Outer size | 96.9 × 78.9 | mm | |
| Electrode area | 95.6 × 77.3 | mm | |
| Effective area | 90.0 × 72.0 | mm | |
| Plate thickness | 1.00 | mm | |
| Channel diameter | 25 | µm | |
| Channel pitch | 31 | µm | |
| Bias angle | 8 | ° | |
| Open area ratio | Min. | 57 | % | 
| Resistance *2 | 5 to 50 | MΩ | |
| Gain *2 | Min. | 1×104 | ー | 
| Electrode material | Inconel | ー | |
| Dark current *2 | 0.5 | pA・cm2 | |
| Maximum linear output *2 | 7 % of strip current *1 | ー | |
| Supply voltage *3 | 1.0 | kV | |
| Operating ambient temperature *3 | 0 to +50 | ℃ | |
| Resistance-match *4 | Within ±10 % | ー | |
*1: Strip current is the current that flows through channel walls when a voltage is applied between MCP IN and OUT. It is given by dividing the applied voltage by the MCP resistance.
*2: Supply voltage: 1.0 kV, vacuum: 1.3 × 10-4 Pa, operating ambient temperature: +25 °C
*3: Vacuum: 1.3 × 10-4 Pa
*4: Resistance-match means that resistance values of MCPs are to be matched when they are used in two stages.
        
            
            
            
              
              
                 
              
            
            
          
    
It looks like you're in the . If this is not your location, please select the correct region or country below.
You're headed to Hamamatsu Photonics website for US (English). If you want to view an other country's site, the optimized information will be provided by selecting options below.
In order to use this website comfortably, we use cookies. For cookie details please see our cookie policy.
This website or its third-party tools use cookies, which are necessary to its functioning and required to achieve the purposes illustrated in this cookie policy. By closing the cookie warning banner, scrolling the page, clicking a link or continuing to browse otherwise, you agree to the use of cookies.
Hamamatsu uses cookies in order to enhance your experience on our website and ensure that our website functions.
You can visit this page at any time to learn more about cookies, get the most up to date information on how we use cookies and manage your cookie settings. We will not use cookies for any purpose other than the ones stated, but please note that we reserve the right to update our cookies.
For modern websites to work according to visitor’s expectations, they need to collect certain basic information about visitors. To do this, a site will create small text files which are placed on visitor’s devices (computer or mobile) - these files are known as cookies when you access a website. Cookies are used in order to make websites function and work efficiently. Cookies are uniquely assigned to each visitor and can only be read by a web server in the domain that issued the cookie to the visitor. Cookies cannot be used to run programs or deliver viruses to a visitor’s device.
Cookies do various jobs which make the visitor’s experience of the internet much smoother and more interactive. For instance, cookies are used to remember the visitor’s preferences on sites they visit often, to remember language preference and to help navigate between pages more efficiently. Much, though not all, of the data collected is anonymous, though some of it is designed to detect browsing patterns and approximate geographical location to improve the visitor experience.
Certain type of cookies may require the data subject’s consent before storing them on the computer.
This website uses two types of cookies:
This website uses cookies for following purposes:
Cookies help us help you. Through the use of cookies, we learn what is important to our visitors and we develop and enhance website content and functionality to support your experience. Much of our website can be accessed if cookies are disabled, however certain website functions may not work. And, we believe your current and future visits will be enhanced if cookies are enabled.
There are two ways to manage cookie preferences.
If you don’t want to receive cookies, you can modify your browser so that it notifies you when cookies are sent to it or you can refuse cookies altogether. You can also delete cookies that have already been set.
If you wish to restrict or block web browser cookies which are set on your device then you can do this through your browser settings; the Help function within your browser should tell you how. Alternatively, you may wish to visit www.aboutcookies.org, which contains comprehensive information on how to do this on a wide variety of desktop browsers.
Occasionally, we may use internet tags (also known as action tags, single-pixel GIFs, clear GIFs, invisible GIFs and 1-by-1 GIFs) at this site and may deploy these tags/cookies through a third-party advertising partner or a web analytical service partner which may be located and store the respective information (including your IP-address) in a foreign country. These tags/cookies are placed on both online advertisements that bring users to this site and on different pages of this site. We use this technology to measure the visitors' responses to our sites and the effectiveness of our advertising campaigns (including how many times a page is opened and which information is consulted) as well as to evaluate your use of this website. The third-party partner or the web analytical service partner may be able to collect data about visitors to our and other sites because of these internet tags/cookies, may compose reports regarding the website’s activity for us and may provide further services which are related to the use of the website and the internet. They may provide such information to other parties if there is a legal requirement that they do so, or if they hire the other parties to process information on their behalf.
If you would like more information about web tags and cookies associated with on-line advertising or to opt-out of third-party collection of this information, please visit the Network Advertising Initiative website http://www.networkadvertising.org.
We use third-party cookies (such as Google Analytics) to track visitors on our website, to get reports about how visitors use the website and to inform, optimize and serve ads based on someone's past visits to our website.
You may opt-out of Google Analytics cookies by the websites provided by Google:
https://tools.google.com/dlpage/gaoptout?hl=en
As provided in this Privacy Policy (Article 5), you can learn more about opt-out cookies by the website provided by Network Advertising Initiative:
http://www.networkadvertising.org
We inform you that in such case you will not be able to wholly use all functions of our website.
Close