ORCA-Quest IQ qCMOSカメラ
ORCA-Quest IQは、ORCA-Questシリーズが誇る低ノイズ、高解像度、高量子効率の特長はそのままに、Camera Link 出力機能を搭載したqCMOS®カメラです。お客様独自の外部機器を介した、画像演算及び周辺機器への高速なフィードバックを必要とする量子技術、補償光学技術、超解像顕微鏡において、新たな可能性を広げます。
ORCA、qCMOSは、浜松ホトニクス株式会社の登録商標です。
2000年代初頭からの歴史をもつCamera Linkは、電気的ノイズに強いLVDS (Low Voltage Differential Signaling)を使用し、ノイズの多い環境でも安定して動作する高い信頼性をもった規格で、現在も多くのフレームグラバーボードや画像処理機器で採用されています。ORCA-Quest IQ では、お客様の多様なニーズに応えるため、Base/Full configurationに対応しています。
Base configuration *1*2
| ビニング | 画素数 (水平 × 垂直) | 読み出し速度 (フレーム/秒) |
|---|---|---|
| 1 × 1 | 4096 × 2304 | 7.19 |
| 2048 × 2048 | 16.1 | |
| 1024 × 1024 | 64.7 | |
| 512 × 512 | 259 | |
| 256 × 256 | 1030 | |
| 256 × 4 | 19 800 | |
| 2 × 2 | 2048 × 1152 | 28.7 |
| 4 × 4 | 1024 × 576 | 115 |
Full configuration *1*3
| ビニング | 画素数 (水平 × 垂直) | 読み出し速度 (フレーム/秒) |
|---|---|---|
| 1 × 1 | 4096 × 2304 | 28.7 |
| 2048 × 2048 | 64.7 | |
| 1024 × 1024 | 259 | |
| 512 × 512 | 532 | |
| 256 × 256 | 1040 | |
| 256 × 4 | 19 800 | |
| 2 × 2 | 2048 × 1152 | 115 |
| 4 × 4 | 1024 × 576 | 120 |
※1:Camera Link 出力機能利用時は、カメラの制御はUSB3.1 Gen1 経由に限定されます
※2:Camera Linkケーブル1 本接続
※3:Camera Linkケーブル2 本接続
ORCA-Quest IQ は、ORCA-Questシリーズが誇る低ノイズ、高解像度、高量子効率の特長はそのままに、新たに搭載したCamera Link出力機能を搭載したqCMOSカメラです。カメラの基本性能は、ORCA-Quest 2 qCMOSカメラのページをご確認ください。
量子コンピューティングにおける量子ビット(Qubit)として、中性原子やイオンは、一つ一つ、真空中にトラップ、配列されて計算に使用されます。それらの量子状態は蛍光を発するかどうかで判定することができますが、その蛍光計測は短時間かつ低光量下で行われるため、高速かつ低ノイズな光検出器が必要となります。
ORCA-Quest 2はその低ノイズ、高速な読み出し速度から、原子アレイの全体像観測だけでなく、個々の量子ビットの状態判定を行うことが可能です。
Rb原子アレイの蛍光イメージング (カメラ:ORCA-Quest)
提供:大阪大学 山本俊 様、小林俊輝 様
量子光学の研究では、光子の量子的性質を研究、利用するために単一光子源を使用します。その際に、同様に単一光子検出器が必要となり、近年では検出器に入射した光子の数を識別できる検出器の必要性が出てきています。
カメラ技術の新たなコンセプトである、光子数識別可能なカメラが、この分野で新たな発見をもたらすことが期待されています。
量子イメージングの実験構成
量子イメージング画像 (カメラ:ORCA-Quest)
提供:Prof. Miles Padgett 様 (University of Glasgow)
超解像顕微鏡法とは回折限界を越える空間分解能を得るための手法を指しており、高い空間分解能を得るために低ノイズ、かつ小ピクセルサイズの科学計測用カメラを必要とします。
超解像画像 ORCA-Quest
qCMOSカメラ / 4.6 μm pixel size / 超解像システム:VT-iSIM
超解像画像 ORCA-Fusion
Gen Ⅲ sCMOSカメラ / 6.5 μm pixel size / 超解像システム:VT-iSIM
実験セットアップ(カメラ:ORCA-Quest)
提供:Steven Coleman 様 (Visitech International Ltd.)
近年、生物発光顕微鏡法が、従来の蛍光顕微鏡法に対して、励起光を必要としないなどユニークな特徴をもつという理由から注目を集めています。生物発光の主な欠点としては、その非常に小さい発光量が挙げられており、十分な画質の画像を取得することが難しいことにあります。そのため、生物発光の観測には長い露光時間を必要とするため、長時間露光下でも十分に高感度なカメラが必要とされます。
2波長同時発光イメージング
NanoLuc融合たんぱく質ARRB2と、Venus融合たんぱく質V2Rが近接してBRETが起きている様子
カメラ:ORCA-Quest + W-VIEW GEMINI
対物レンズ:20×、露光時間:30 s、ビニング:4×4
顕微鏡システム外観
提供:東北大学大学院薬学研究科 分子細胞生化学分野 柳川正隆 様
植物は光合成のために吸収した光エネルギーのごく一部を、時間をかけて光として放出します。この現象は遅延蛍光と呼ばれています。この僅かな光を検出することにより、化学物質、病原体、環境、その他ストレス要因が植物に与える影響を観察することが可能です。
遅延蛍光(励起光消光後、10 秒経過してから10秒間露光)
地上から星を観察する場合、大気のゆらぎにより、星像がぼけます。しかし、短時間露光であれば、その時間内では大気が安定し、きれいな画像が得られることがあります。このため多くの画像を取得し、きれいな画像のみを位置を合わせながら積算する手法がラッキーイメージングです。
オリオン座大星雲 3波長フィルタを使用したカラー画像
顕微鏡システム外観
補償光学技術は、大気ゆらぎにより乱れた波面を即時に補正し、望遠鏡の性能限界における最も歪みのない鮮明な星像を得る手法です。リアルタイムかつ高精度な波面補正を実現する装置にするため、波面の乱れを測定するカメラには、高速な読み出し性能と高い分解能が求められます。また、より暗い天体やレーザ人工星など、非常に光子数が少ない状況で波面補正が行われる場合もあり、カメラには高い感度が必要となります。
補償光学で波面を補正
補償光学 比較
提供:京都大学大学院理学研究科附属天文台 山本広大 様
X線や高エネルギー粒子のイメージング用途で、可視光に変換するシンチレータをカップリングした科学計測用カメラが使用されています。瞬間的な現象をリアルタイム検出するために、低ノイズかつ高速なイメージング検出システムを必要としています。
マウス胎仔のX線位相CT像
カメラ:ORCA-Quest / 光学系:高解像度X線イメージングユニット(M11427) / ビームライン:SPring-8 BL20B2 / 露光時間:15 ms / トータル計測時間:6.5 min
測定光学系全景
カメラ付近拡大
提供:高輝度光科学研究センター 放射光利用研究基盤センター 散乱・イメージング推進室 顕微・動的画像計測チーム 星野真人 様
物質に光を照射すると、光と物質の相互作用が発生します。このうち、入射光とは異なる波長に散乱されるものをラマン散乱と呼び、この波長を測定することにより、物質の特性を測定する手法をラマン分光と言います。ラマン分光により、分子レベルの構造解析が可能であり、これにより化学結合、結晶性等の情報が得られます。
ラインスキャン型ラマンイメージングシステムにおけるORCA-QuestとEMCCDのスペクトル比較(1画素の光量が等しい条件)
ラマン画像
ORCA-Quest
EM-CCDカメラ
@10 photon/pixel/frame, 532 nm laser excitation
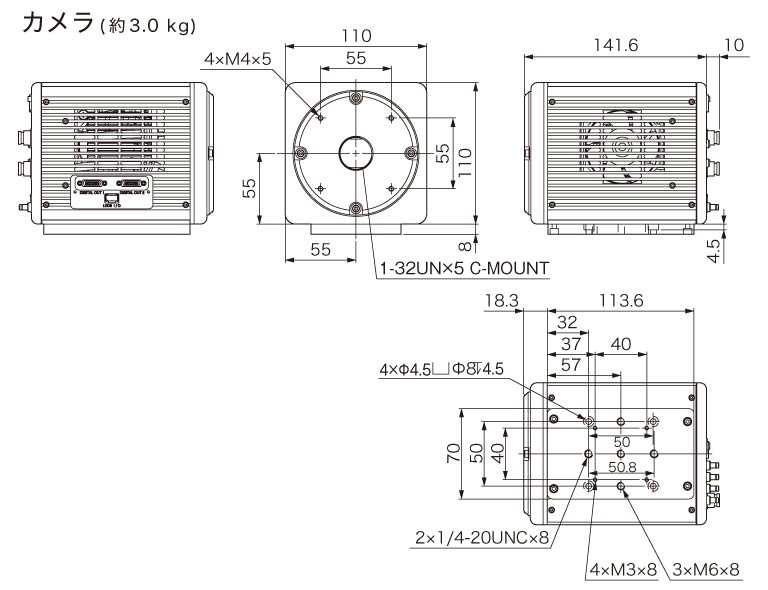
| 型名 | C15550-23UP |
|---|---|
| 撮像素子 | qCMOSイメージセンサ |
| 有効画素数 | 4096(H)× 2304(V) |
| 画素サイズ | 4.6 μm(H)× 4.6 μm(V) |
| 有効素子サイズ | 18.841 mm(H)× 10.598 mm(V) |
| 量子効率(typ.) | 85 % (ピーク時) |
| 飽和電荷量(typ.) | 7000 electrons |
| 読み出しノイズ(typ.) | Standard scan:0.43 electrons(rms)、 0.39 electrons(median) Ultra quiet scan:0.30 electrons(rms)、0.25 electrons(median) |
| ダイナミックレンジ(typ.)*1 | 23 000 : 1 (rms)、28 000 : 1 (median) |
| 暗出力不均一性 (DSNU) (typ.) *2 | 0.06 electrons |
| 感度不均一性 (PRNU) (typ.) *2*3 | 0.1 % 未満 |
| リニアリティエラー | 0.5 % |
| 冷却方式(ペルチェ冷却) | 強制空冷(周囲温度:+25 ℃):-10 ℃ 水冷(周囲温度:+25 ℃ 水温:+25 ℃)*4:-10 ℃ 水冷[最大冷却(水温:+20 ℃、周囲温度:+20 ℃ 時)]*4:-25 ℃(typ.) |
| 暗電流(typ.) | 強制空冷(周囲温度:+25 ℃):0.032 electrons/pixels/s 水冷(周囲温度:+25 ℃ 水温:+25 ℃)*4:0.032 electrons/pixels/s 水冷[最大冷却(水温:+20 ℃、周囲温度:+20 ℃ 時)]*4:0.012 electrons/pixels/s |
| 読み出しモード | 全画面、デジタルビニング (2×2, 4×4)、サブアレイ |
| 読み出し速度 (全画素読み出し時) | Standard scan *5:120フレーム/秒(CoaXPress動作)、28.7フレーム/秒(Full Configuration)*6、7.19フレーム/秒(Base Configuration)*6 Ultra quiet scan:25.4フレーム/秒(CoaXPress動作)、25.4フレーム/秒(Full Configuration)*6、7.19フレーム/秒(Base Configuration)*6 |
| 露光時間 | Standard scan *5:7.2 μs~1800 s Ultra quiet scan:33.9 μs ~ 1800 s *7 |
| 外部トリガ入力モード | エッジトリガ、グローバルリセットエッジトリガ、レベルトリガ、グローバルリセットレベルトリガ、読み出し同期トリガ、スタートトリガ |
| トリガ遅延機能 | 0 μs ~ 10 s(1 μs ステップ) |
| トリガ出力 | グローバル露光タイミング出力、エニーロー露光タイミング出力、トリガレディ出力、プログラマブルタイミング出力×3系統、ハイ出力、ロー出力 |
| マスターパルス | パルスモード:内部同期 / スタートトリガ / バースト パルス間隔: 5 μs ~ 10 s in 1 μs ステップ バースト回数: 1 ~ 65 535 |
| デジタル出力 | 16 bit、12 bit、8 bit |
| 画像処理機能 | 欠陥画素補正(ON-OFF 可能、白点補正3段階選択可) |
| インターフェース | USB 3.1 Gen 1*8、CoaXPress (Quad CXP-6 ) |
| 画像出力専用インターフェース *9 | Camera Link (SDR-26):Base Configuration / Full Configuration |
| トリガ入力コネクタ | SMA |
| トリガ出力コネクタ | SMA |
| レンズマウント | Cマウント |
| 電源 | AC 100 V ~ AC 240 V、50 Hz/60 Hz |
| 消費電力 | 約155 VA |
| 動作周囲温度 | 0 ℃ ~ +35 ℃ |
| 動作周囲湿度 | 30 % ~ 80 %(結露しないこと) |
| 保存周囲温度 | -10 ℃ ~ +50 ℃ |
| 保存周囲湿度 | 90 %以下(結露しないこと) |
※1:飽和電荷量とUltra quiet scan時の読み出しノイズから算出します。
※2:Ultra quiet scan 時の値です。
※3:3500 electrons、中心 1500 × 1500、1000枚積算時の値です。
※4:冷却水の水量は0.46 L/分です。
※5:エリア読み出しのみです。
※6:USB I/Fを使用した場合、画像はUSB I/FとCamera Link I/Fの両I/Fから同時に出力され、フレームレートはCamera Link I/Fの速度に制限されます。フル解像度で、17.6フレーム/秒のデータ容量を超えると、USB I/Fでの出力画像にフレームの欠落が発生します。
※7:グローバルリセットエッジトリガ及びグローバルリセットレベルトリガでは、露光時間の最小は67.8 μsです。
※8:USB 3.0 Gen 1と同等です。
※9:USB I/F経由でのカメラ制御を行った場合のみ、Camera Link I/Fから画像が出力されます。Camera Link I/F経由でのカメラ制御は行えません。
産業用・研究用途でカメラを用いる場合、撮影する対象の波長や光量など、様々な条件を考慮してカメラを選定する必要があります。
弊社では、シミュレーション画像を確認しながら直感的にカメラの性能によるイメージングの結果の違いなどを比較できるツール「カメラシミュレーションラボ」を提供しています。
It looks like you're in the . If this is not your location, please select the correct region or country below.
You're headed to Hamamatsu Photonics website for JP (Japanese). If you want to view an other country's site, the optimized information will be provided by selecting options below.
In order to use this website comfortably, we use cookies. For cookie details please see our cookie policy.
This website or its third-party tools use cookies, which are necessary to its functioning and required to achieve the purposes illustrated in this cookie policy. By closing the cookie warning banner, scrolling the page, clicking a link or continuing to browse otherwise, you agree to the use of cookies.
Hamamatsu uses cookies in order to enhance your experience on our website and ensure that our website functions.
You can visit this page at any time to learn more about cookies, get the most up to date information on how we use cookies and manage your cookie settings. We will not use cookies for any purpose other than the ones stated, but please note that we reserve the right to update our cookies.
For modern websites to work according to visitor’s expectations, they need to collect certain basic information about visitors. To do this, a site will create small text files which are placed on visitor’s devices (computer or mobile) - these files are known as cookies when you access a website. Cookies are used in order to make websites function and work efficiently. Cookies are uniquely assigned to each visitor and can only be read by a web server in the domain that issued the cookie to the visitor. Cookies cannot be used to run programs or deliver viruses to a visitor’s device.
Cookies do various jobs which make the visitor’s experience of the internet much smoother and more interactive. For instance, cookies are used to remember the visitor’s preferences on sites they visit often, to remember language preference and to help navigate between pages more efficiently. Much, though not all, of the data collected is anonymous, though some of it is designed to detect browsing patterns and approximate geographical location to improve the visitor experience.
Certain type of cookies may require the data subject’s consent before storing them on the computer.
This website uses two types of cookies:
This website uses cookies for following purposes:
Cookies help us help you. Through the use of cookies, we learn what is important to our visitors and we develop and enhance website content and functionality to support your experience. Much of our website can be accessed if cookies are disabled, however certain website functions may not work. And, we believe your current and future visits will be enhanced if cookies are enabled.
There are two ways to manage cookie preferences.
If you don’t want to receive cookies, you can modify your browser so that it notifies you when cookies are sent to it or you can refuse cookies altogether. You can also delete cookies that have already been set.
If you wish to restrict or block web browser cookies which are set on your device then you can do this through your browser settings; the Help function within your browser should tell you how. Alternatively, you may wish to visit www.aboutcookies.org, which contains comprehensive information on how to do this on a wide variety of desktop browsers.
Occasionally, we may use internet tags (also known as action tags, single-pixel GIFs, clear GIFs, invisible GIFs and 1-by-1 GIFs) at this site and may deploy these tags/cookies through a third-party advertising partner or a web analytical service partner which may be located and store the respective information (including your IP-address) in a foreign country. These tags/cookies are placed on both online advertisements that bring users to this site and on different pages of this site. We use this technology to measure the visitors' responses to our sites and the effectiveness of our advertising campaigns (including how many times a page is opened and which information is consulted) as well as to evaluate your use of this website. The third-party partner or the web analytical service partner may be able to collect data about visitors to our and other sites because of these internet tags/cookies, may compose reports regarding the website’s activity for us and may provide further services which are related to the use of the website and the internet. They may provide such information to other parties if there is a legal requirement that they do so, or if they hire the other parties to process information on their behalf.
If you would like more information about web tags and cookies associated with on-line advertising or to opt-out of third-party collection of this information, please visit the Network Advertising Initiative website http://www.networkadvertising.org.
We use third-party cookies (such as Google Analytics) to track visitors on our website, to get reports about how visitors use the website and to inform, optimize and serve ads based on someone's past visits to our website.
You may opt-out of Google Analytics cookies by the websites provided by Google:
https://tools.google.com/dlpage/gaoptout?hl=en
As provided in this Privacy Policy (Article 5), you can learn more about opt-out cookies by the website provided by Network Advertising Initiative:
http://www.networkadvertising.org
We inform you that in such case you will not be able to wholly use all functions of our website.
Close