当社の製品は、医療、計測、産業、自動車、情報、民生機器から学術研究まで幅広い分野で利用されています。応用分野の拡大に伴い、製品の品質、信頼性に対する要求も高度化しています。このようなお客様からの要求に応えるために、当社では品質改善活動に積極的に取り組んでいます。
(電子管事業部、固体事業部、システム事業部、レーザ事業部を対象として記載しています。)
浜松ホトニクスグループは、次の品質方針を定め、お客様に満足していただけるように、また科学技術の進歩とより豊かな社会・環境の実現、人類の健康と幸福に貢献できるように努めています。
2013年11月 1日 制定
2024年 4月 1日 改定
当社内での品質に関する情報共有、品質関連文書の共通化や仕入先(サプライチェーン)への教育等を目的に、社内横断型の品質本部会議を設置し活動しています。また、製造子会社の品質管理のサポートを行い、HAMAMATSUグループとしての品質の維持、向上に努めています。
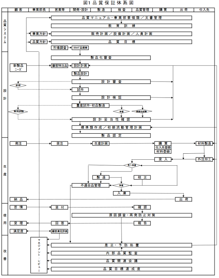
各事業部毎に、ISO9001に準拠した品質マネジメントシステムを構築し運用しています。基本となる要求事項を「品質マニュアル」に定め、設計・開発、購買、製造、検査、出荷、アフターサービスまでのルールを文書化し、一貫した品質保証体制を確立しています。
| 認証取得組織 | 事業所名 | 認証取得年月 |
|---|---|---|
| 電子管事業部 | 豊岡製作所 天王製作所 |
1997年2月 |
| 固体事業部 | 本社工場 三家(みつえ)工場 新貝工場 |
1998年1月 |
| システム事業部 | 常光製作所 | 1998年6月 |
| レーザ事業部 | 都田製作所 | 2016年3月 |
市場調査やお客様からの要望により新製品の開発が計画されると、製品の機能、信頼性、コストなどの製造実現の可能性を検討します。設計内容に対しての審査、試作結果に対しての設計検証、量産試作および信頼性試験の結果を踏まえて、設計の妥当性を確認した後、製品認定を行います。また、設計開発におけるリスクと機会を洗い出し、完成度の高い製品設計を推進しています。
設計で意図した品質、信頼性を実現するために、製造仕様、QC工程図、作業標準などをもとに製造工程を管理します。
製品の仕様が満たされていることを検証するために、製品の電気的、機械的、光学的特性および外観について工程検査、製品検査を実施しています。検査の項目、方法、判定基準は、製品の仕様書に定めています。破壊試験やロット評価は、抜き取り検査を適用しています。
統計的工程管理やKPI(Key Performance Indicator)の監視等を元に製造工程の継続的改善に取り組んでいます。
出荷された製品は、製造履歴や使用材料ロットがトレースできるように管理しています。これにより、不具合発生時の遡及範囲を早期に確定することが可能となります。
製品の品質を劣化させないような梱包材質や物流における製品へのダメージ防止および環境に配慮した梱包方法を採用しています。
製品が所定の信頼性を満たしていることを確認するために信頼性試験を製品認定時、変更時に実施します。信頼性試験は、構造的に類似した製品群ごとに代表製品を選定して行います。必要に応じて、個別に試験も行います。信頼性試験の方法は、JIS、JEITA、IEC、MIL規格などに準拠しています。また、お客様の要求を取り入れた試験も実施しています。
※信頼性試験装置・・・寿命試験装置、強度試験装置、輸送試験装置、放射線/光暴露試験装置などを揃えています。
製品の品質、信頼性は、製造工程の作業環境によって大きく左右され、製品によっては清浄度、温度、湿度に厳密な管理が要求されます。清浄度が管理されたクリーンルームで製造する製品は、クリーンルームの管理基準を設けて、清浄度、入退室の方法、服装、持ち込み品、作業方法などを厳密に定め、清浄度の維持、管理を行っています。また、クリーン度や温度・湿度管理は、工場設備管理方法を定めて維持管理しています。
微細化やパッケージの多様化から静電気放電(ESD: electro-static discharge)による損傷が懸念される場合は、静電気対策を実施しています。静電気管理対象品を取り扱う部署は、静電気管理基準に従い静電気管理区域を定め、設備、作業環境の管理方法、作業者の服装、取り扱い方法などの教育を行っています。
生産設備は、導入時の認定を行うとともに改善や拡充の際の検証ならびに保全管理を行っています。設備の始業点検、定期点検などの具体的な方法を定めて予防保全を行い、品質トラブルの防止と生産の安定化を実現しています。
製品品質に大きな影響を与える購買品の管理については、仕入先と購買品の両方を審査登録する仕組みになっています。
仕入先については、品質環境システム、グリーン調達対応および製品含有化学物質管理などを審査し、基準を満たした仕入先を登録し、購買、品質管理、設計部署が中心となって、新規および定期の仕入先監査を実施しています。この監査結果に基づき、仕入先に対して適切な指導を行い、購買品の品質向上を図っています。
購買品については、個別に厳正な審査を行い、材料登録を行った上で製品に使用しています。
また、購買品の要求仕様に基づいた受け入れ検査を実施して購買品の品質確認を行っています。受け入れ後の購買品は、設計が指定した保管条件に従って適切に管理された場所に保管し、購買品の品質の維持管理を行っています。
計測器については、品質管理部署によって定期的な校正を行っています。校正に使用する標準器は、メーカーや公的機関を通じ国家標準にトレースされます。校正に加え、始業点検や定期点検を実施し、計測器の故障や精度の低下などを予防、検出するようにしています。
製造工程において、設定した管理水準を超える不良、製品の品質に悪影響を及ぼす恐れのある異常が発生した場合には、直ちに異常ロットを識別し、ほかの仕掛品と区別するとともに、原因の調査を行い、処置を決定します。処置の効果の確認とともに、再発防止を確実に行います。
品質、機能、信頼性、生産性の向上を目的として設計、購買品、製造方法、設備などの変更を行います。まず変更の計画書を作成して、変更の準備から完了までの業務計画を明確にし、品質管理を含めた関係部署による会議などにおいて計画の決定をします。最終的には、品質や信頼性および生産性などへの影響を評価した上で変更を決定します。
お客様への事前確認が必要な変更については、変更前にお客様の承認を得てから実施します。また、必要に応じて初期流動管理を実施し、変更による影響の確認を行います。
欧州RoHS指令、REACH規則、中国RoHSなど国際的な環境法規制の強化に伴い、サプライチェーンを通して製品に含有する化学物質の適切な管理が求められています。
当社では、業界の「製品含有化学物質管理ガイドライン」に準拠した社内体制を整え、当社調達お取引様に対しては、当社が定めた「サプライチェーン行動指針」と「納入部材の含有・使用化学物質管理基準」に基づく、グリーン調達及び調査を実施し、製品の環境への取り組みを進めております。調査結果は、全社統一の製品含有化学物質管理システムにて管理し、環境法規制への対応を図っております。
当社では、製品開発からEMC・製品安全関連の基準・規格を基に設計を行い、また型式試験でそれらの基準・規格に適合していることを確認して出荷しています。例えば、CEマーキング対象製品については、該当する各EU指令の整合規格に基づき試験を実施し、CEマーキングを貼付しています。
お客様からのクレームは、苦情処理体系に基づき、迅速に対応するよう努めています。
クレームの内容を確認し、原因の調査を行います。調査結果は、お客様に報告するとともに、設計、工程へフィードバックし再発防止の対策を実施します。調査結果に基づき品質マネジメントシステムの見直しが必要と判断された場合には、是正処置を行いその効果を確認します。
工程不良解析やクレーム解析等の対応のために、社内に故障解析装置を多数揃えて、常に迅速な対応ができる体制となっています。
※故障解析装置・・・電子・光学・超音波顕微鏡、表面粗さ、原子分析、半導体故障解析、強度試験、測長など
製品品質の維持、向上および従業員のレベルアップの目的とした教育、訓練を行っています。定期的に要員の力量を評価、必要に応じた教育、訓練を計画し実施しています。また、資格認定が必要な業務を明確にし、その業務に適合した従事者を認定する制度を設けています。
教育の種類は新入社員教育、部門内教育、安全衛生教育など多岐にわたり、社外での情報収集も積極的に行うなど、知識や技術のレベルアップに努めています。
It looks like you're in the . If this is not your location, please select the correct region or country below.
You're headed to Hamamatsu Photonics website for JP (Japanese). If you want to view an other country's site, the optimized information will be provided by selecting options below.
In order to use this website comfortably, we use cookies. For cookie details please see our cookie policy.
This website or its third-party tools use cookies, which are necessary to its functioning and required to achieve the purposes illustrated in this cookie policy. By closing the cookie warning banner, scrolling the page, clicking a link or continuing to browse otherwise, you agree to the use of cookies.
Hamamatsu uses cookies in order to enhance your experience on our website and ensure that our website functions.
You can visit this page at any time to learn more about cookies, get the most up to date information on how we use cookies and manage your cookie settings. We will not use cookies for any purpose other than the ones stated, but please note that we reserve the right to update our cookies.
For modern websites to work according to visitor’s expectations, they need to collect certain basic information about visitors. To do this, a site will create small text files which are placed on visitor’s devices (computer or mobile) - these files are known as cookies when you access a website. Cookies are used in order to make websites function and work efficiently. Cookies are uniquely assigned to each visitor and can only be read by a web server in the domain that issued the cookie to the visitor. Cookies cannot be used to run programs or deliver viruses to a visitor’s device.
Cookies do various jobs which make the visitor’s experience of the internet much smoother and more interactive. For instance, cookies are used to remember the visitor’s preferences on sites they visit often, to remember language preference and to help navigate between pages more efficiently. Much, though not all, of the data collected is anonymous, though some of it is designed to detect browsing patterns and approximate geographical location to improve the visitor experience.
Certain type of cookies may require the data subject’s consent before storing them on the computer.
This website uses two types of cookies:
This website uses cookies for following purposes:
Cookies help us help you. Through the use of cookies, we learn what is important to our visitors and we develop and enhance website content and functionality to support your experience. Much of our website can be accessed if cookies are disabled, however certain website functions may not work. And, we believe your current and future visits will be enhanced if cookies are enabled.
There are two ways to manage cookie preferences.
If you don’t want to receive cookies, you can modify your browser so that it notifies you when cookies are sent to it or you can refuse cookies altogether. You can also delete cookies that have already been set.
If you wish to restrict or block web browser cookies which are set on your device then you can do this through your browser settings; the Help function within your browser should tell you how. Alternatively, you may wish to visit www.aboutcookies.org, which contains comprehensive information on how to do this on a wide variety of desktop browsers.
Occasionally, we may use internet tags (also known as action tags, single-pixel GIFs, clear GIFs, invisible GIFs and 1-by-1 GIFs) at this site and may deploy these tags/cookies through a third-party advertising partner or a web analytical service partner which may be located and store the respective information (including your IP-address) in a foreign country. These tags/cookies are placed on both online advertisements that bring users to this site and on different pages of this site. We use this technology to measure the visitors' responses to our sites and the effectiveness of our advertising campaigns (including how many times a page is opened and which information is consulted) as well as to evaluate your use of this website. The third-party partner or the web analytical service partner may be able to collect data about visitors to our and other sites because of these internet tags/cookies, may compose reports regarding the website’s activity for us and may provide further services which are related to the use of the website and the internet. They may provide such information to other parties if there is a legal requirement that they do so, or if they hire the other parties to process information on their behalf.
If you would like more information about web tags and cookies associated with on-line advertising or to opt-out of third-party collection of this information, please visit the Network Advertising Initiative website http://www.networkadvertising.org.
We use third-party cookies (such as Google Analytics) to track visitors on our website, to get reports about how visitors use the website and to inform, optimize and serve ads based on someone's past visits to our website.
You may opt-out of Google Analytics cookies by the websites provided by Google:
https://tools.google.com/dlpage/gaoptout?hl=en
As provided in this Privacy Policy (Article 5), you can learn more about opt-out cookies by the website provided by Network Advertising Initiative:
http://www.networkadvertising.org
We inform you that in such case you will not be able to wholly use all functions of our website.
Close