THz PMTモジュール
H17362は、THz波-電子変換にメタサーフェス技術を活用し、THz波領域に感度を有した光電子増倍管 (PMT)モジュールです。コンパクトな筐体にTHz PMTと駆動回路、高圧電源を内蔵したTHz PMTモジュールです。パソコンにUSB接続するだけで動作させることが可能です。光学定盤上に簡単に取り付け可能なアタッチメントと光学部品を取り付け可能なCマウントアダプタが付属されています。光電子増倍管の取り扱いが初めての方でも簡単に取り扱うことができます。
下記のグラフはTHz PMTの入出力特性を示しています。
外部光電効果を利用した通常のPMT/I.Iでは入射光に比例した信号電流が得られるのに対し、電界電子放出を利用したTHz PMT/I.I.では入射THz波に応じて信号電流が非線形に増減します。
線形応答の検出器では検知が困難なわずかな入射THz波の違いを、明確に検出することができます。
このグラフは各THz波周波数に対するTHz PMTの応答特性を示しています。
1 THz付近に最も強い応答を示し、0.5 ~ 2.0 THzの広い範囲に感度があります。
水蒸気による吸収が起こる周波数では入射THz波が減衰し、それに伴ってTHz PMTの信号強度も小さくなっている様子がわかります。
THz PMTおよびTHz I.I.はアンテナによる電界放出を検出原理としているため、入射THz波の偏光方向によって応答が変化します。
下記のグラフは各偏光方向に対するTHz PMTの応答特性を示しています。この特性を利用して入射THz波の偏光方向を計測することも可能です。
θ=90 deg
THz波水平偏光
θ=0 deg
THz波垂直偏光
入射THz波を光学レンズなどで絞っている場合、その電界振幅強度は焦点位置において最も強くなります。
THz PMTモジュールは、光学ロット取付穴の真上に検出面がくるように設計されているため、容易に焦点位置を計測することが可能です。
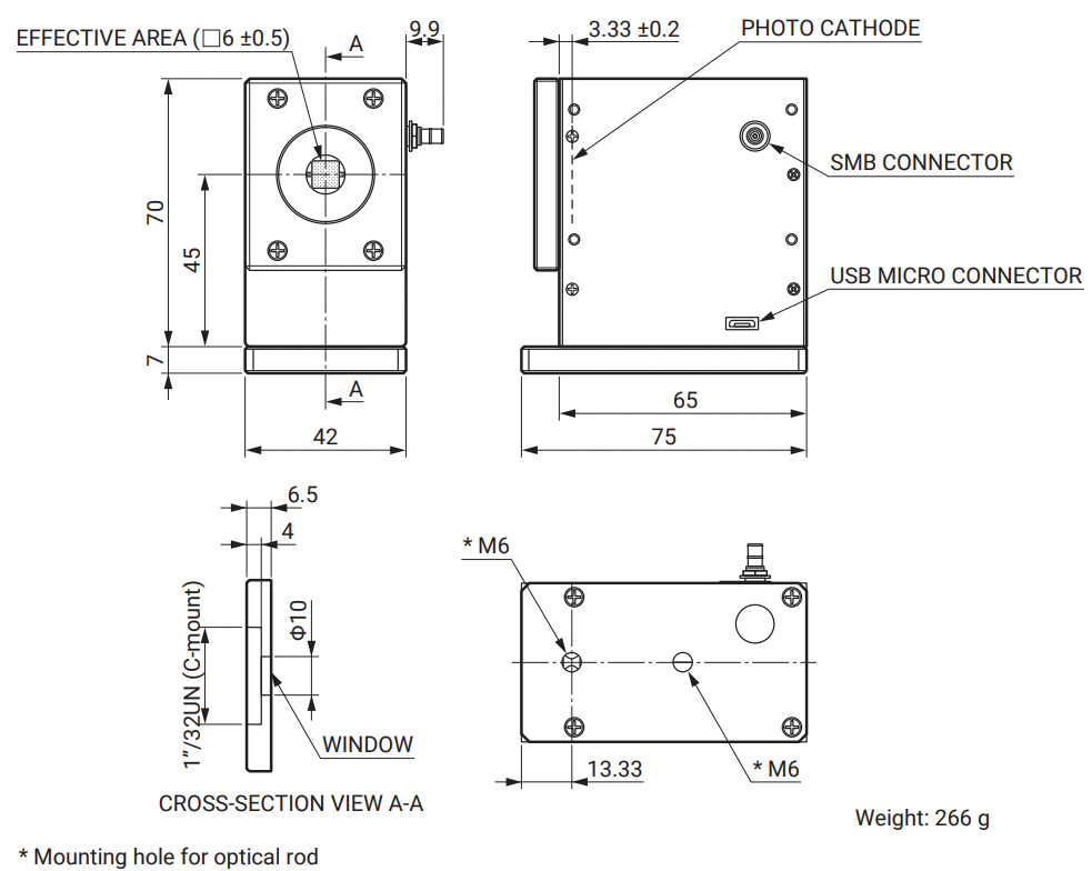
H17362は、モジュールとPC端末をUSB接続することで、PMTモジュールを駆動させることができます。下記のリンクからデバイスドライバとサンプルソフトウェアをダウンロードできます。
| 項目 | H17362 | 単位 | |
|---|---|---|---|
| 構成内容 | メインユニット、Cマウントアダプタ、ロッド取り付けプレート | ― | |
| 入力電圧 | USBバスパワー(+4.75 ~ +5.25) | V ac | |
| 消費電流 | 0.1 | A | |
| 光電面 | メタサーフェス | ― | |
| 有効エリア | 6 x 6 | mm | |
| 窓材 | 石英ガラス | ― | |
| ダイノード | 構造 | ラインフォーカス型 | ― |
| 段数 | 10 | ― | |
| 電界しきい値*1 | Typ. | 5 | kV/cm |
| 推奨波長範囲 | 0.5 ~ 2.0 | THz | |
| 上昇時間*1 | 1.6 | ns | |
| 動作周囲温度 | +5 ~ +50 | ℃ | |
| 保管周囲温度 | -20 ~ +50 | ℃ | |
| 動作/保管周囲湿度*2 | 85以下 | % | |
| 対応OS | Windows 10/11 | ― | |
*1: PMT供給電圧 -1500 V, THz周波数 1.05 THz
*2: 結露なきこと
It looks like you're in the . If this is not your location, please select the correct region or country below.
You're headed to Hamamatsu Photonics website for JP (Japanese). If you want to view an other country's site, the optimized information will be provided by selecting options below.
In order to use this website comfortably, we use cookies. For cookie details please see our cookie policy.
This website or its third-party tools use cookies, which are necessary to its functioning and required to achieve the purposes illustrated in this cookie policy. By closing the cookie warning banner, scrolling the page, clicking a link or continuing to browse otherwise, you agree to the use of cookies.
Hamamatsu uses cookies in order to enhance your experience on our website and ensure that our website functions.
You can visit this page at any time to learn more about cookies, get the most up to date information on how we use cookies and manage your cookie settings. We will not use cookies for any purpose other than the ones stated, but please note that we reserve the right to update our cookies.
For modern websites to work according to visitor’s expectations, they need to collect certain basic information about visitors. To do this, a site will create small text files which are placed on visitor’s devices (computer or mobile) - these files are known as cookies when you access a website. Cookies are used in order to make websites function and work efficiently. Cookies are uniquely assigned to each visitor and can only be read by a web server in the domain that issued the cookie to the visitor. Cookies cannot be used to run programs or deliver viruses to a visitor’s device.
Cookies do various jobs which make the visitor’s experience of the internet much smoother and more interactive. For instance, cookies are used to remember the visitor’s preferences on sites they visit often, to remember language preference and to help navigate between pages more efficiently. Much, though not all, of the data collected is anonymous, though some of it is designed to detect browsing patterns and approximate geographical location to improve the visitor experience.
Certain type of cookies may require the data subject’s consent before storing them on the computer.
This website uses two types of cookies:
This website uses cookies for following purposes:
Cookies help us help you. Through the use of cookies, we learn what is important to our visitors and we develop and enhance website content and functionality to support your experience. Much of our website can be accessed if cookies are disabled, however certain website functions may not work. And, we believe your current and future visits will be enhanced if cookies are enabled.
There are two ways to manage cookie preferences.
If you don’t want to receive cookies, you can modify your browser so that it notifies you when cookies are sent to it or you can refuse cookies altogether. You can also delete cookies that have already been set.
If you wish to restrict or block web browser cookies which are set on your device then you can do this through your browser settings; the Help function within your browser should tell you how. Alternatively, you may wish to visit www.aboutcookies.org, which contains comprehensive information on how to do this on a wide variety of desktop browsers.
Occasionally, we may use internet tags (also known as action tags, single-pixel GIFs, clear GIFs, invisible GIFs and 1-by-1 GIFs) at this site and may deploy these tags/cookies through a third-party advertising partner or a web analytical service partner which may be located and store the respective information (including your IP-address) in a foreign country. These tags/cookies are placed on both online advertisements that bring users to this site and on different pages of this site. We use this technology to measure the visitors' responses to our sites and the effectiveness of our advertising campaigns (including how many times a page is opened and which information is consulted) as well as to evaluate your use of this website. The third-party partner or the web analytical service partner may be able to collect data about visitors to our and other sites because of these internet tags/cookies, may compose reports regarding the website’s activity for us and may provide further services which are related to the use of the website and the internet. They may provide such information to other parties if there is a legal requirement that they do so, or if they hire the other parties to process information on their behalf.
If you would like more information about web tags and cookies associated with on-line advertising or to opt-out of third-party collection of this information, please visit the Network Advertising Initiative website http://www.networkadvertising.org.
We use third-party cookies (such as Google Analytics) to track visitors on our website, to get reports about how visitors use the website and to inform, optimize and serve ads based on someone's past visits to our website.
You may opt-out of Google Analytics cookies by the websites provided by Google:
https://tools.google.com/dlpage/gaoptout?hl=en
As provided in this Privacy Policy (Article 5), you can learn more about opt-out cookies by the website provided by Network Advertising Initiative:
http://www.networkadvertising.org
We inform you that in such case you will not be able to wholly use all functions of our website.
Close